必威官方首页官网

壁挂炉烟道装置的其它主要注重事项

2022-04-06 11:33:12

  壁挂炉烟道装置的其它主要注重事项

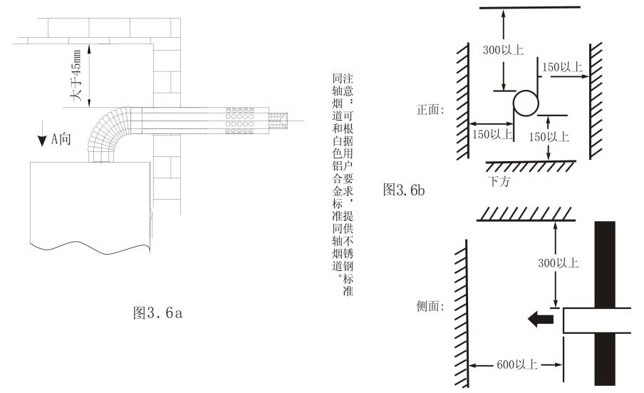
  (1) 同轴烟道的装置要严酷凭证CJJ12-99及其它相关标准操作,烟道出口位置与周围修建物启齿的距离选择也要切合其标准要求,如图3.6a所示。

  (2) 为避免同轴烟道上的排气孔和进气孔被梗塞,应将同轴烟道伸岀墙外。

  (3) 同轴烟道装置接触或穿过衡宇墙壁的管道时,相对情形的外貌温升应小于即是60K, 当该温升凌驾60K时,应在同轴烟道通过易燃质料组成的墙体时;必需笼罩厚度在20mm以上的不燃耐高温质料围护,确保墙体外貌温升小于即是60K。

  (4) 同轴烟道与其穿过的墙壁上的圆孔之间的间隙,不得用水泥类工具填充,请使用随机附件的烟道法兰密封,不然倒运于维修操作。

  (5) 同轴烟道的外外貌应与上面的修建物相距45mm以上。

  (6) 若使用加长管,所有的接口处必需密封,不得使废气漏入室内。

  (7) 烟道口位置必需位于不会造成公害的地方。

  (8) 壁挂炉必需与同轴烟道毗连且须导出室外(如图3.6b),没有烟管,阻止壁挂炉运行。

1.jpg


网站地图