燃气壁挂炉同轴烟管怎样装置
1.墙面钻孔
(1).用纸质装置模板和刮板配合,找准尺寸,在墙上齐整个直径约为120mm的圆;
(2) 以墙壁上所画圆为界线钻孔,如下图所示。
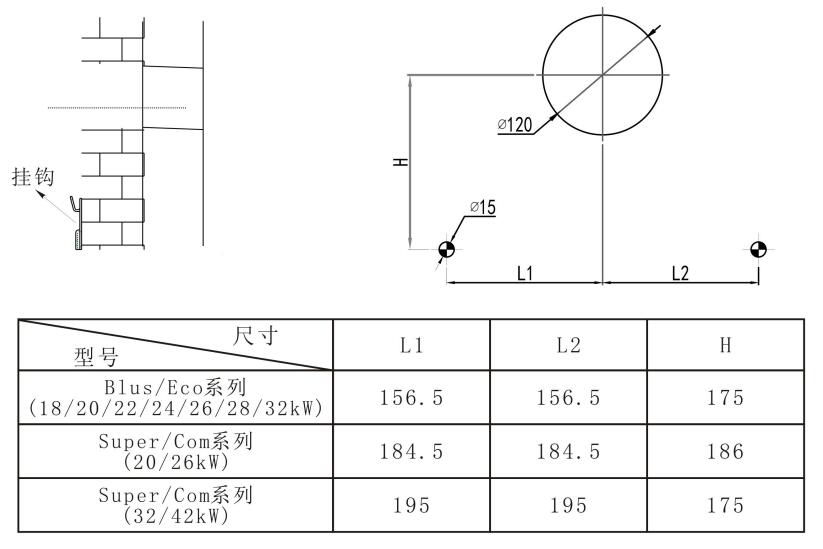
(3) 在墙壁上钻三个成三角形漫衍的孔。大孔直径为120mm,下端两个小孔的宜径为15mm如右下图所示。

2. 同轴烟管的水平毗连
随机提供有一套(用来排放壁挂炉燃烧爆发的废气和从室外引进燃烧所需的新鲜空气) 平衡式同轴烟道,须准确与壁挂炉毗连。

除此,用户还可凭证现真相形,另外订购以下特殊是情形下的烟管。

燃气壁挂炉同轴烟管怎样装置
1.墙面钻孔
(1).用纸质装置模板和刮板配合,找准尺寸,在墙上齐整个直径约为120mm的圆;
(2) 以墙壁上所画圆为界线钻孔,如下图所示。
(3) 在墙壁上钻三个成三角形漫衍的孔。大孔直径为120mm,下端两个小孔的宜径为15mm如右下图所示。

2. 同轴烟管的水平毗连
随机提供有一套(用来排放壁挂炉燃烧爆发的废气和从室外引进燃烧所需的新鲜空气) 平衡式同轴烟道,须准确与壁挂炉毗连。

除此,用户还可凭证现真相形,另外订购以下特殊是情形下的烟管。
